BJ4020 - 報(bào)警器
1. Technical Parameter
Measuring condition
Part shall be measured under a condition (Temperature: 5~35℃, Humidity: 45%~85%R.H., Atmospheric pressure: 860 ~1060hPa) unless the standard condition (Temperature: 25±3℃, Humidity: 60±10%R.H. Atmospheric pressure: 860 ~1060hPa) is regulated to measure.
| 1 | Resonant Frequency | 3000 500Hz |
| 2 | Operating Voltage | 1 ~25 Vp-p |
| 3 | Rated Current | Max.5mA ,At 3KHz 50% duty Square Wave 3Vp-p |
| 4 | Sound Output at 30cm | Min. 89dB,At 3KHz 50% duty Square Wave 3Vp-p |
| 5 | Capacitance | 30000 ± 30% pF At 1KHz |
| 6 | Operating Temperature | -20 - +70℃ |
| 7 | Storage Temperature | -30 - +80℃ |
| 8 | RoHS | Yes |
| 9 | Weight | Approx 15g |
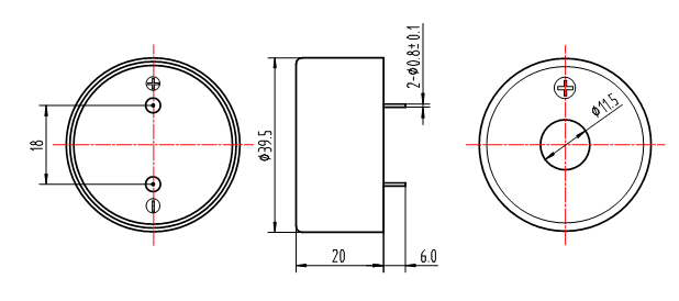
2. Dimensions
Unit: mm Tolerance: ±0.5mmExcept Specified

*Housing Material: Black PPO
3.Electrical And Acoustical Measuring Condition
Recommended Setting

4.Frequency Response
3Vp-p 50% duty Square wave,30cm
5.ReliabilityTest
After any following tests the part shall meet specifications without any degradation in
appearance and performance except SPL. SPL shall not deviate more than -5 dB
from the initial value
5.1 Ordinary Temperature Life Test
The part shall be subjected to 96 hours at 25±10℃. Input rated voltage
Resonant frequency, 1/2 duty Square wave.
5.2 High Temperature Test
The part shall be capable of with standing a storage temperature of +80℃for 96 hours.
5.3 Low Temperature Test
The part shall be capable of with standing a storage temperature of --30℃for 96 hours.
5.4 Humidity Test
Temperature:+40℃±3℃ Relative Humidity:90%~95% Duration: 48 hours
and expose to room temperature for 6 hours
5.5 Temperature Shock Test
Temperature:70℃ /1hour→25℃/3hours→-20℃/1hour→25℃/3hours (1cycle)
Total cycle: 10 cycles
5.6 Drop Test
Standard Packaging From 1.2m(Drop on hard wood or board of 5cm thick,
three sides, six plain.)
5.7 Vibration Test
Vibration:1000cycles /min. Amplitude:1.5mm, Duration: 1 hour in each 3 axes
Note:
As this product is not protected from foreign material entering, please make sure that any foreign materials (e.g. magnetic powder, washing solvent, flux, corrosive gas) do not enter this product in your production processes. The functional degradation (e.g. SPL down) may occur if foreign material enter it.




